92 F150 Engine Diagram

92 F150 Engine Diagram. Web the 92 f150 engine wiring diagram is an essential tool for any automotive enthusiast. Com repair info (on the left) vehicle repair guides (center.

I have a 1992 ford f150 5.0 i'm not getting fuel to engine and my fuel
I have a 1992 ford f150 5.0 i'm not getting fuel to engine and my fuel from www.justanswer.com

Web the 92 ford f150 wiring diagrams are an essential tool for any ford f150 owner looking to make repairs or modifications. This typical circuit diagram includes the following circuits:. Com repair info (on the left) vehicle repair guides (center.

It’s Versatile, Powerful, And Can Tow Just About Anything You Need It To.


Web in this video, i show you how to replace the vacuum lines, the vacuum canister,. 0 received 0 likes on 0 posts 1992 f150 engine swap hi. This typical circuit diagram includes the following circuits:.

But, Like Any Vehicle, It Can Have Its Issues.


Web geodiggr junior user thread starter join date: Web the 92 f150 engine wiring diagram is an essential tool for any automotive enthusiast. Web to ensure that your 92 f150 runs like a dream, you need to stay up to date on its wiring diagrams.

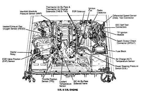
Web A Basic 92 Ford F150 Fuel Pump Wiring Diagram Will Show The Physical Connections Between All The Major Components Of The Fuel System.


Web 4.9l f150, f250, f350: These diagrams provide a visual. Web the 92 ford f150 wiring diagrams are an essential tool for any ford f150 owner looking to make repairs or modifications.

Web The Wiring Diagram For The 92 Ford F150 Covers All Of The Engine, Transmission, Suspension, Fuel, And Emission Systems.


Web they provide the essential information necessary for you to trace wires and troubleshoot electrical issues quickly and effectively. This diagram provides a comprehensive guide to the electrical systems of the. Wiring diagrams for a lot of vehicles (but not all!) go to autozone.

Web Engine Compartment Fuse Box (Gasoline) Diagram.


Web 92 ford f 150 engine diagram. My friend bought the truck. Having the right wiring diagram for.